Domov / Produkty / Merač energie / Merač striedavého prúdu / AC trojfázový programovateľný panelový elektromer

AC trojfázový programovateľný panelový elektromer

Skutočné merania RMS

THD so 63. harmonickými

K-faktor a Crest faktor

Nevyváženosť a fázové uhly

Nároky a viactarifná energia

Max/Min Log s časovou pečiatkou

+86-18702106858 / +86-21-69156352

[email protected]

  • Popíšte
  • APM810 je trojfázový multifunkčný panelový merač striedavého prúdu triedy 0,2S navrhnutý na presné monitorovanie energie, diagnostiku kvality energie a účtovanie nájomníkov v priemyselných, komerčných rozvádzačoch a rozvádzačoch dátových centier. Kompaktný kryt DIN 96 × 96 mm obsahuje farebnú dotykovú obrazovku TFT, ktorá zobrazuje skutočné RMS napätie do 690 V, prúd, frekvenciu, aktívny/jalový/zdanlivý výkon, PF, dopyt, harmonické do 63. THD a štvorkvadrantové kWh/kvarh. Duálny RS485 Modbus-RTU, Ethernet TCP/IP, BACnet/IP, SNMP a voliteľné Wi-Fi/LoRa poskytujú bezproblémovú integráciu BMS/EMS, zatiaľ čo 4 MB zabudovaná pamäť zaznamenáva 12-mesačné profily záťaže pre energetické audity. Konfigurovateľné alarmy prepätia/podpätia, prúdu, PF a harmonických poháňajú reléové výstupy alebo digitálne vstupy pre inteligentné ovládanie ističa; pulzné, SOE a tarifné registre TOU podporujú aplikácie utility AMI, solárne meranie siete a nabíjanie EV. Široké 3×57,7–690 V, 0,001–10 A priame pripojenie alebo pripojenie CT/VT plus tesnenie odolné voči neoprávnenej manipulácii sa hodia do každej inteligentnej siete alebo mikrosiete.

  • Špecifikácie
  • Technické parametre Hodnota
    Vstup Pripojenie Jednofázový-2-vodičový, 3-fázový-3-vodičový, 3-fázový-4-vodičový
    Frekvencia 45-65Hz
    Napätie Hodnotenie:
    jednofázový: AC 100V, 400V
    Trojfázové: AC 3×57,7V/100V(100V)、3×220V/380V(400V)、3×380V/660V(660V)(iba veľkosť 96)
    Preťaženie: 1,2-násobné hodnotenie (nepretržité): 2-násobné hodnotenie na 1 sekundu
    Spotreba energie: < 0,5VA
    Aktuálne Hodnotenie: AC IA、5A
    Preťaženie: 1,2-násobné hodnotenie (nepretržité); 10-násobné hodnotenie za 1 sekundu
    Spotreba energie: < 0,5VA
    Výstup Elektrická energia Výstup mode:open-collector photo-coupler pulse
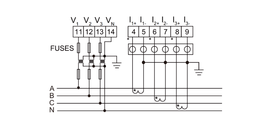
    Pulzná konštanta: 10 000 imp/kWh (nastaviteľné), podrobnosti nájdete v schéme zapojenia.
    Komunikácia Port RS485, protokol Modbus -RTU, protokol DLT645 (verzie 07 a 97),
    prenosová rýchlosť 1200 ~ 38400
    Funkcia Prepínací vstup Suchý kontaktný vstup, vstavaný napájací zdroj; ak je model KA, je aktívny AC 220V.
    Spínací výstup Výstup mode: Relay normally open contact output
    Kapacita kontaktu: AC 250V/3A、 DC 30V/3A
    Analógový výstup 4 - 20 mA
    Trieda presnosti Frekvencia:0.05Hz,Current、Voltage:0.2 class,Reactive power:l .0class,Reactive Electric energy:l .0class, active power:0.5class,active electric energy: 0.5class,2-31th harmonic measurement:±1%
    Napájanie AC/DC 85-265V alebo DC24V(±20%)alebo DC48V(±20%)
    spotreba energie ≤ 10 VA
    Bezpečnosť Odolné napätie výkonovej frekvencie Medzi Napájanie//Spínaný výstup// Prúdový vstup//napäťový vstup a vysielanie// Komunikácia //Pulzný výstup//spínací vstup AC 2 kV 1min;
    Medzi napájanie, spínaný výstup, prúdový vstup, napäťový vstup AC 2 kV 1 min;
    Medzi vysielaním, komunikáciou, pulzným výstupom, spínacím vstupom AC 1kV 1 min;
    Izolačný odpor Vstup、Output end to machine enclosure >100MΩ
    Životné prostredie Teplota práca: -25°C~ 65°C  skladovanie: -40°C ~ 80°C
    Vlhkosť ≤ 93 % RH Nekondenzujúca
    Nadmorská výška ≤ 2 500 miliónov $ $
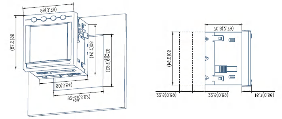
  • Schéma rozmerov a zapojenia
  • Aplikačný scenár
  • Riešenie monitorovania napájania

  • Aplikácia na pracovisku
O spoločnosti Acrel
"Optimalizovaná energetická účinnosť, posilnenie zelenej budúcnosti."

Spoločnosť Acrel Co., Ltd., založená v roku 2003【Kód akcií: 300286.SZ】, je high-tech podnik špecializujúci sa na riešenia energetického manažmentu a elektrickú bezpečnosť. Spoločnosť Acrel so sídlom v Šanghaji ponúka inovatívne a udržateľné riešenia pre energetickú účinnosť mikrosietí a elektrickú bezpečnosť. S viac ako 600 patentmi a autorskými právami na softvér spoločnosť Acrel celosvetovo nasadila viac ako 28 000 systémových riešení, čím vytvorila komplexnú energetickú internetovú architektúru „na konci cloudu“.

Acrel Co., Ltd. is China Wholesale AC trojfázový programovateľný panelový elektromer Manufacturers and AC trojfázový programovateľný panelový elektromer Factory. Acrel's integrated product ecosystem spans from cloud platform software to end-user components, covering sectors such as power, renewable energy, data centers, smart buildings, transportation, and smart cities. These solutions enable intelligent, real-time energy management, enhancing energy security and reducing operational costs. We offer AC trojfázový programovateľný panelový elektromer for sale.

Výrobné zariadenie spoločnosti, Jiangsu Acrel Electric Manufacturing Co., Ltd., dodržiava prísne normy kvality a environmentálne smernice s pokročilými testovacími centrami a záväzkom k výrobným procesom bez olova. Tím viac ako 500 inžinierov spoločnosti Acrel dodáva špičkové systémy energetickej účinnosti a inteligentné energetické riešenia.

So silnou domácou prítomnosťou spoločnosť Acrel aktívne expanduje do zahraničia, pričom ju podporuje globálna sieť predajných a technických tímov a platforma elektronického obchodu, ktorá zabezpečuje bezproblémové služby na celom svete. Acrel je hrdý na to, že pomáha podnikom zlepšovať efektivitu, znižovať spotrebu a dosahovať ciele udržateľnosti.

Spoločne budujeme inteligentnejšiu a zelenšiu budúcnosť.

  • Autorizované patenty

    0+
  • Počet obsluhovaných zákazníkov

    0+
  • Celkový počet zamestnancov

    0+
  • Výrobná základňa

    0
Podniková certifikácia

Posilnenie podnikov našimi robustnými schopnosťami.

  • IEC
  • CE-MID
  • UL
  • RoHS
Správy
  • Moderné elektrické prostredie je zložitá tapiséria vzájomne prepojených energetických systémov, najmä striedavého prúdu (AC) na výrobu, prenos a distribúciu. Nárast obnoviteľnej energie, skladovania energie, elektrických vozidiel a priemyselných procesov však posunul systémy jednosmerného prúdu (...

    Read More
  • Modernéá elektrická sieť je majstrovským dielom inžinierstva, rozľahlá a prepojená sieť navrhnutá tak, aby dodávala energiu z výrobných zdrojov koncovým používateľom s pozoruhodnou spoľahlivosťou. V srdci tohto systému ležia vysokonapäťové prenosové vedenia, svalové tepny, ktoré prenášajú obrovsk...

    Read More
  • V oblasti elektrickej údržby, energetického manažmentu a spoľahlivosti systému zohráva úlohu analyzátor kvality energie je nevyhnutné. Tieto zariadenia sú už dlho základným kameňom diagnostiky širokého spektra elektrických problémov, od jednoduchých výkyvov napätia až po zložité prechodné ...

    Read More
Acrel Co., Ltd.